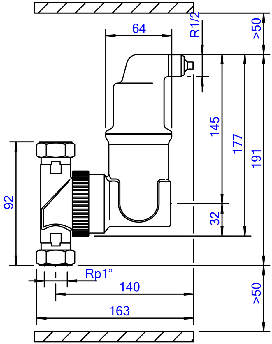
Spirotech SpiroVent RV2 luchtafscheider verticaal/horizontaal 1 UA100W
Item code:
1146.00055
|
Leverancierscode:
UA100W
Documenten
€ 192,05
Inloggen
Registreer of login en zie direct uw netto prijzen.
Stel een vraag over dit product
Productinformatie
De voordelen van de UA (RV2) SpiroVent luchtafscheiders
- Verwijderen effectief alle circulerende lucht en microbellen
- Nooit meer handmatig ontluchten
- Toepasbaar met 50/50 Glycol / Water (Volume)
- Constante, lage drukval
- Minder storingen en uitval van installatie
- Aansluitdiameters van 22 mm tot 2" (G2)
- Uitzonderlijke garantie